Продукциялар
Автоматтык жарык таймери
  • Автоматтык жарык таймериАвтоматтык жарык таймери
  • Автоматтык жарык таймериАвтоматтык жарык таймери
  • Автоматтык жарык таймериАвтоматтык жарык таймери
  • Автоматтык жарык таймериАвтоматтык жарык таймери

Автоматтык жарык таймери

Xucky жогорку сапаттагы жогорку сапаттагы автоматтык жарык таймери, ALST8 тепкичтиги Time Symerte Time Unswork Time Rails менен болот. Ал 1 мүнөттөн 7 мүнөткө чейин созулуп, электрондук ашыкча жүктөөгө чейин жабдылган.

Xucky жогорку сапаттагы жогорку сапаттагы автоматтык жарык таймери, ALST8 тепкичтиги Time Symerte Time Unswork Time Rails менен болот. Ал 1 мүнөттөн 7 мүнөткө чейин созулуп, электрондук ашыкча жүктөөгө чейин жабдылган.

● Туруктуу жарыкка которуштуруу

● Учурдагы жабык күндүгү жок

● Тышкы баскычты которуштуруу

Synchronous мотор драйвына байланыштуу ишенимдүү

● кийлигишүү үчүн сезимталдык

● Тактык механикасы, ошондуктан так которуштуруу мезгили

● Абсолюттук масштабда убакыттын өтүшү менен убакыттын өтүшү менен кечигүү убактысы


Сүрөттөө

Xucky жогорку сапаттагы жогорку сапаттагы автоматтык жайларды өчүргүч таймери, бир нече схеманы эсептөө үчүн, эсептөө мезгили 1 мүнөттөн 7 мүнөттөн 7 мүнөткө чейин. Бул кадимки / өчүрүү / өчүргүч катары иштей алат. Эсептөө убактысы которуштуруу, ыңгайлуулукка ээ болгон жерлерде ар кайсы жерлерде (неон которуштуруу менен да, нион) менен байланышууга мүмкүндүк берет.


Продукт тандоо

Чыңалуу

230VAC

Жыштык

50hz

Которулуу кубаттуулугу

16a


Сунушталган максималдуу жүктөм (10,000 операция)

Incandescent / галоген чырагы 230V

Флуоресценттүү чырак (кадимки) коргошун-лаг схемасы

Флуоресценттүү чырак (кадимки) параллель оңдолгон

Энергияны үнөмдөө лампалары

LED чырагы <2 W

LED чырагы 2-8 ж

LED чырагы> 8 w

2300 ж

2300 VA

1300 VA 70 μF

150 ж

30 W

300 ж

300 ж


Техникалык маалыматтар

● Тактык механикасы, ошондуктан так которуштуруу мезгили

600 ж

Туташуу түрү

3- / 4-Транчкераторлор

Кошумча которулуу

30s кийин

Турак жай жана жылуулоо материалы

Жогорку температура туруктуу, өзүн-өзү өчүрүүчү термопластикалык

Сууга керектөө менен

0 W

Коргоо түрү

IP 20

Коргоо классы

II боюнча II 1 730-1

Айлана-чөйрөнүн температурасы

-10 ~ +50 ° C (Муздалбоо)

Сыноо бекитүү

Б.з.


Мүнөздөмөлөр

Бааланган ток 230v ~ 50z
Ohmic load Максимум 3680w
Индуктивдик жүктөө 230v ~, 4a /cosφ0.4
Эсептөө мезгили 1 мүнөт 7 мүнөт
Тактык 0 - 1 мүнөткө чейин: ± 10 секунд
0 - 7 мүнөт: ± 18 секунд
IP рейтинги IP20
Иштөө температурасы -10 ° C чейин 55 ° C чейин


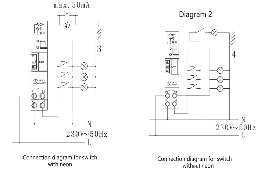
Зымдарды диаграмма


Монтаж жана туташтыруу

Электрондук иреттөө кутучасына оңой орнотуу үчүн, таймерди темир жолго илип, "чыкылдатып" деп укканга чейин, четтетилгенге чейин басыңыз.

2. TimesWitch которуштурууга байланышууга мүмкүнчүлүк берет (неон жарык менен же жок).

1-диаграммада көрсөтүлгөндөй, неон жана диаграмма менен которулгандыгы үчүн 1-диаграммада көрсөтүлгөндөй.

B.Turn Possions (Power)

C.

d.then, которуштурууну позицияга салып, электр кубаттуулугу убакытты өчүрөт, убакыттын ичинде эсептөө функциясы үчүн күтүү режиминде иштейт.

o.push noon которуштуруу Ал алдын ала белгиленген убакытка ылайык автоматтык түрдө өчүрүлөт.

е. Неон үчүн жалпы учурдагы учурдагы 50 млн. Эгер Neon 1ma токун ташса, анда 50дөн ашык неон которгучту эсептөө убактысы менен туташпаңыз.

G.FOR NEONсиз которуштурасыз, сиз оңой башкаруу үчүн ар кандай жерде коштошсаңыз болот.

3.Биздер эсептөө режиминде болуп саналат, анда төмөнкүлөрдөн анкетасы жок:

Туташкан которгучту түртүп (неон которуштуруу менен). Убакытты ар кандай эсептөө мезгилине айлантуу.



Hot Tags: Автоматтык жарык таймери, Кытай, Өндүрүүчү, жеткирүүчү, завод
Сурамжылоо жөнөтүү
Байланыш маалымат
  • Дарек

    №2567 Southing South Road, Liushi, YueKing, Вэнчжоу, Чжэцзян, Кытай

Акысыз QUOTE & SMPLE ылайыкташтырылган чечимиңизди талап кылыңыз

Бүгүнкү күндө сиздин жеке мүнөздөмөлөргө ылайыкташтырылган конкурстук сунуштама менен бирге суроо берүүгө.

X
Биз кукилерди сизге жакшыраак серептөө тажрыйбасын сунуштоо, сайт трафигин талдоо жана мазмунду жекелештирүү үчүн колдонобуз. Бул сайтты колдонуу менен сиз кукилерди колдонууга макул болосуз. Купуялык саясаты
Четке кагуу Кабыл алуу